3G 光ファイバー伝送カメラアダプター
製品概要
ショルダータイプやハンディタイプ カムコーダーの信号を光ファイバーケーブルを使って光伝送する装置です。
1本の光ファイバーケーブルでスタジオカメラ(システムカメラ)に必要な・カメラ映像 ・マイク音声 ・タリー ・リターン ・インターカム ・カメラリモコン ・ゲンロック 等の各種信号を長距離伝送することができます。
単独使用として設計されているカムコーダーを複数同時使用し、システムカメラとして運用しやすくするために、カメラアダプター・ベースユニットの周辺システム機器を充実いたしました。スタジオ内や屋外中継など、お客様のさまざまなご利用に応じたアプリケーションも用意されておりますので、番組制作の効率化や、機材の休眠時間減少など、用途や運用に広範に対応することができます。
特長
あらゆるタイプのカメラでも装着が可能
ショルダータイプのカムコーダーはバッテリー取付部に装着します。
またハンディタイプはユニバーサルマウントアダプターを使用して装着します。入力信号はデジタル,アナログ両方に対応しておりますので、放送用カメラだけでなく、業務用のカメラの使用も可能です。
3種類のカメラケーブル(コネクタ)が選べます。
① NEUTRIK オプティカルコネクタ
ローコストで、250m までカメラ電源の送電ができます。また、このコネクタ
はLC コネクタによるシングルモード光ファイバーの使用ができます。(送電なし)
② タジミ光カメラコネクタ
③ LEMO 光コネクタ
タジミ,LEMO いづれも最長2,400m の送電が可能です。
![]() |
![]() |
![]() |
|
①ノイトリック光複合ケーブル 最長250m送電 |
①シングルモード光ファイバー 送電不可 |
②③光カメラケーブル 最長2,400m送電 |
伝送距離は接続される機器や接続ケーブルの状況により大きく異なります。
リターン入力は2系統 標準装備
リターン1、リターン2を切換えてVFに出力します。
高品質の音声伝送性能
カメラ音声,リターン音声の高音質に加え、インターカム回線にも高音質を採用しました。高級音響機器と同等の高S/N で透明度の高い「いい音」です。
カメラアダプター側にリターン音声ステレオライン出力(平衡)を装備しました。
広範なフォーマットに対応
3G, HD, HD24p,SD 等、広範なシステムフォーマット対応機能装備です。
対応システム フォーマット
3G : 1080/59.94p ( レベルA ),1080/50p ( レベルA )
HD : 1080/59.94i,1080/50i,1080/24psf,1080/23psf,1080/29p,1080/24p,1080/23p,720/59.94p,720/50p
SD : 525/59.94i,625/50i
使用状況に合わせて給電方法は3種類
カメラアダプターへの給電は ①カメラケーブルによる方法 ② DC12V 外部入力による方法 ③カメラバッテリーによる方法 すべてに対応しています。

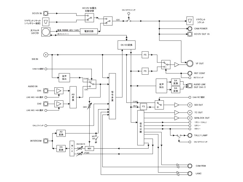
ブロック図
使用実績のあるカメラ
| メーカー | 型番 | ||
| ソニー社製 | HDW-730 | HDW-750 | HDW-790 |
| PMW-320 | PMW-350 | PMW-200 | |
| PMW-400 | PMW-500 | PMW-EX3 | |
| PDW-F350 | PDW-F355L | PDW-680 | |
| PDW-700 | |||
| パナソニック社製 | AG-HPX555 | AJ-HPX3100G | AJ-HPX2100 |
| AJ-HDX400 | AJ-HDX900 | AG-HPX600 | |
| AG-HPX175 | AG-HPX250 | AG-HPX255 | |
| AG-HPX375 | |||
| 池上通信機社製 | HDK-5500 | ||
| RED社製 | EPIC DRAGON | ||
主な仕様
| 定格 | ||
| 電源 | SCA-BU4T1/L1/N1 より給電 又は 外部DC12V (11~17V) | |
| 消費電力 | 15W | |
| 動作環境 | 0℃ ~ 40℃、10%~85%(結露無きこと) | |
| 外形寸法・質量 | W155 × H168 × D78 約1.7kg | |
|
RoHS |
適合 |
|
|
入出力端子 |
||
|
SDI IN |
対応フォーマット(映像) |
3G-SDI 1080/59.94p(レベルA) 1080/50p(レベルA) HD-SDI 1080/59.94i 50i 24psf 23psf 29p 24p 23p 720/59.94p 720/50p SD-SDI 525/59.94i 625/50i |
| 対応フォーマット(音声) |
48 kHz サンプリング 20/24ビット、同期音声のみ対応 |
|
| コネクター | BNC×1 | |
| 入力レベル、インピーダンス | 0.8 Vp-p 75 Ω | |
| SDI OUT | 対応フォーマット(映像) |
カメラ映像/リターン映像ともに同一フォーマット HD-SDI 1080/59.94i 1080/50i 1080/24psf 1080/23psf 720/59.94p 720/50p SD-SDI 525/59.94i 625/50i |
| 対応フォーマット(音声) |
48 kHz サンプリング 20/24ビット、同期音声のみ対応 |
|
| コネクター | BNC×1 | |
| 出力レベル、インピーダンス | 0.8 Vp-p 75 Ω | |
|
AUDIO IN |
コネクター |
XLR3(メス)×2 1pin:GND、2pin:Hot、3pin:Cold |
|
ファンタム電源 |
+48V、ch個別にOn/Off可 |
|
| 基準入力レベル |
0 dBm 600 Ω平衡 (ライン選択時) -60 dBm 600 Ω平衡 (マイク/マイク+48V選択時) |
|
|
最大入力レベル |
+20 dBm |
|
|
音声選択スイッチ |
カメラ(CAM)/アナログ(CA) |
|
|
AUDIO LINE OUT |
コネクター |
XLR5(オス)×1 PGMオーディオ2chを出力 |
|
基準出力レベル |
0 dBm 600 Ω平衡 1pin:GND、2pin:Hot1、3pin:Cold1、4pin:Hot2、5pin:Cold2 |
|
|
光マルチコネクタ |
コネクター/適合ケーブル |
SCA-SP4T1・・・タジミ製光マルチコネクター SCA-SP4L1・・・レモ製光マルチコネクター SCA-SP4N1・・・ノイトリック製マルチコネクター |
|
使用波長 |
WDM方式/出力1310nm、-8dBm・入力1550nm、感度-16dBm |
|
|
TALLY LAMP |
コネクター |
小型丸型コネクター3ピン×1 (*1) |
|
機能 |
フロントタリー/アップタリー用、Rタリーに連動、出力ON/OFF |
|
|
TC OUT |
コネクター |
BNC×1 |
|
出力信号、レベル |
LTC、2 Vp-p |
|
|
GENLOCK OUT |
コネクター |
BNC×1 |
|
出力信号、インピーダンス |
アナログブラックバーストまたは3値シンク 1.0Vp-p 75 Ω |
|
| INCOM |
コネクター |
XLR6(メス)×1 (*1) ENG/PRODの2ch対応。インターカムチャンネルスイッチで切換。 |
|
VFOUT |
コネクター |
小型丸型コネクター20ピン×1 (*2) ビューファインダーに接続するにはインターフェースユニット (SCA-VFIF10:別売)が必要です。 |
|
RET CONT |
コネクター |
小型丸型コネクター4ピン×1 (*1) |
|
CAM REM |
コネクター |
小型丸型コネクター8ピン×1 |
|
LANC |
コネクター |
ステレオミニミニジャック(φ2.5mm)×1 |
|
CAM POWER |
コネクター |
小型丸型コネクター7ピン×1 (*3) |
|
Vマウントソケット |
定格 |
DC11~17V カメラ電源供給用 |
|
Vマウントホルダー |
定格 |
DC11~17V バッテリー接続用 |
|
DC12V IN
|
コネクター |
XLR4(オス)x1 |
|
定格 |
DC11~17V |
|
| DC12V OUT |
コネクター |
小型丸型コネクター4ピン(メス)×1 |
| 定格 | DC11~17V | |
|
付属品 |
||
| ナンバーシール |
1個 |
|
| 取扱説明書 |
1部 |
|
|
オプション |
||
|
ユニバーサルマウントアダプター |
SCA-UMA10/SCA-UMA20 |
|
|
インカムヘッドセット |
SCA-HS001 |
|
|
ビューファインダー |
SCA-VF50/SCA-VF70 |
|
|
VFインターフェースボックス |
SCA-VFIF10 |
|
|
アクセサリーシューブラケット |
SCA-ACC |
|
|
Vシューブラケット |
SCA-VB |
|
|
バッテリーマウントカバー |
SCA-COV |
|
|
カメラケーブル |
弊社営業までお問い合わせください。 |
|
(*1)弊社独自仕様となっております。加工が必要な場合はご相談下さい。
(*2)弊社独自仕様となっております。当該コネクターの機能を使用するには別売のインターフェースボックスが別途必要となります。
(*3)Vマウントソケット経由で電源を供給できないカメラへ電源を供給するためのコネクターです。カメラのメーカー・機種ごとに専用ケーブルが必要となりますので別途ご相談下さい。
関連製品カタログ
|
|
|
|
製品情報
-

4K・12G 関連製品
-

12G/3G/HD/SD/AES/EBU ルーティングスイッチャー
-

光/12G/4K/3G/HD/SD/アナログモジュールシステム
-

12G/3G/HD/SD/アナログ エンベデッドオーディオモニター
-

12G/3G/HD/SD/アナログオーディオ/エンベデッドラウドネスモニター/VUマルチメーター
-

光ファイバー伝送カメラアダプター/ライブユニット
-

光/HD/SD/アナログ 分配器・切替器・変換器
-

キャラクタージェネレーター
-

L字放送システム
-

システムインテグレーション
-

小型HD中継車・伝送車













4K・12G
光ファイバー伝送

