4K・12G 光ファイバー伝送カメラアダプター
製品概要
SCA-SP5 は単体使用を前提とした4K/HD カムコーダーや4K/HD ENG カメラに、システム運用で必要となる各種機能を追加するための小型軽量アダプターです。取り扱う⼊⼒信号と光マルチコネクターにより、2種類を用意しています。
| 製品名 | 入力信号 | 光マルチコネクター | |
| 3G Quad Link (4K) | 12G-SDI | ||
| SCA-SP5T2 | 〇 | 〇 | タジミ仕様 |
| SCA-SP5L2 | 〇 | 〇 | レモ仕様 |
専用ベースユニットSCA-BU5 との間を1 本の光カメラケーブルで接続するだけでカメラ信号の伝送はもちろんのこと、カメラ側への電源供給、プログラム映像/音声のリターン信号、インカム機能、タリー出力、ゲンロック、タイムコード出力、カメラリモートコントロール、LANCに対応、イーサネット伝送および大型ビューファインダー対応などが可能となります。
欧州RoHS 指令に適合しております。
特長
ショルダータイプでもハンディタイプでも装備可能
ショルダータイプのカムコーダーはバッテリー取付け部に装着します。
また、ハンディタイプはユニバーサルマウントアダプター(別売)を使用して装着できます。
カメラ:PXW-Z450(ソニー製) + SCA-SP5 + ビューファインダー:HDVF-L770(ソニー製)
カメラ:PXW-Z280(ソニー製) + SCA-UMA20 + SCA-SP5 + ビューファインダー:SCA-VF70
3種類のSDI 信号に対応
12G-SDI、3G Quadlink(4K)に対する入力をすべて装備しています。
3G-SDI、HD-SDI 信号入力にも対応。
リターン映像は4系統
リターン1、リターン2、リターン3、リターン4を切換えてVFに出力します。
3ウェイのリターン切換スイッチ
カメラアダプター本体、外付けリターンスイッチSCA-RTS10(別売)、レンズ側のリターンスイッチ(別売のSCA-VFIF10使用)が使用できます。
充実した入出力端子とインターフェース
4系統のリターン入力から1系統を選択出力(VF出力、SDI出力)、プロンプター入出力、LTC タイムコード出力、リファレンス信号ゲンロック出力、カメラリモコン、LANC 対応、イーサネット伝送、DC12V 出力等を装備しています。
タリー機能
カメラアダプター本体にR,G,Y の3 種タリーの他、外部タリーランプ出力(ON/OFF)を装備
3ウェイ電源
ベースユニットから光マルチコネクターでの給電の他、DC12V コネクター、カメラバッテリーからの給電ができます。
各種テスト機能を装備
SP5→BU5 カメラパステスト
テストモードに設定し、SP5 内蔵カラーバー、テストトーンの伝送テストが可能です。BU5 の12G、3G、HD-SDI 出力確認と、マイク音声確認ができます。
BU5→SP5リターンパステスト
テストモードに設定し、BU5 内蔵カラーバー、テストトーンをSP5 へ伝送することにより、SP5 のSDI 出力、プログラム音声出力、インターカム出力の確認ができます。
SP5→BU5 インターカムパステスト
テストモードに設定し、SP5 からテストトーンを伝送してBU5 でインターカム音声の確認ができます。
伝送距離 (ベースユニットとカメラアダプター間の給電可能距離です。)
光カメラケーブル(ARIB 規格)で最長 2,400m
対応フォーマット
| 12G-SDI | 2160/59.94p(TypeⅠ), 2160/50p(TypeⅠ) |
| 3G-SDI | 1080/59.94p(レベルA), 1080/50p(レベルA) |
| HD-SDI | 1080/59.94i,1080/50i,1080/24psf,1080/23psf,1080/29p,1080/24p,1080/23p |
| 音声 | 48kHz 24bit 同期音声に対応 |
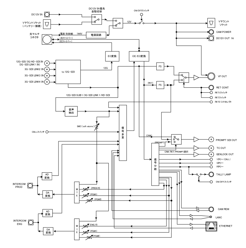
ブロック図
仕様
| SDI IN | 対応フォーマット(映像) | 12G-SDI | 2160/59.94p(TypeI), 2160/50p(TypeI) |
| 3G-SDI | 1080/59.94p(レベルA), 1080/50p(レベルA) | ||
|
HD-SDI |
1080/59.94i, 1080/50i, 1080/24psf,1080/23psf,1080/29p, 1080/24p, 1080/23p | ||
| 対応フォーマット(音声) | 48kHz sampling 24bit、同期音声のみ対応 | ||
| コネクター | BNCx4(12G-SDI入力は1番入力のみ) | ||
| 入力レベル、インピーダンス | 0.8Vp-p 75Ω | ||
| PROMPT SDI OUT | 対応フォーマット(映像) | SDI出力時 1080/59.94i, 1080/50i, 1080/24psf, 1080/23psf,1080/29p, 1080/24p, 1080/23p プロンプター アナログ信号出力時 HDコンポーネントY, CVBS |
|
| 対応フォーマット(音声) | SDI出力時 48kHz sampling 20bit/24bit、同期音声、PCM音声のみ対応 |
||
| コネクター | BNCx1 | ||
| 出力レベル、インピーダンス | SDI出力時 0.8Vp-p 75Ω アナログ信号出力時 1.0Vp-p 75Ω |
||
| 光マルチコネクター | コネクター | SCA-SP5T2 | タジミ仕様光マルチコネクター |
| SCA-SP5L2 | レモ仕様光マルチコネクター | ||
| TALLY LAMP | コネクター | 小型丸形コネクター3ピンx1 (*1) | |
| 機能 | フロントタリー/アップタリー用、Rタリーに連動、出力ON/OFF | ||
| TC OUT | コネクター | BNCx1 | |
| 出力信号、レベル | LTC,2Vp-p | ||
| GENLOCK OUT | コネクター | BNCx1 | |
| 出力信号、インピーダンス | アナログブラックバーストまたは3値シンク 1.0Vp-p 75Ω | ||
| SDI入力に対するGENLOCKフォーマット | SDI IN | GELOCK OUT | |
|
1080/59.94i,1080/59.94p, 2160/59.94p |
NTSC Black Burst | ||
| 1080/50i, 1080/50p,2160/50p | PAL Black Burst | ||
| 1080/23psf | 1080/23psf 3値シンク | ||
| 1080/24psf | 1080/24psf 3値シンク | ||
| 1080/29p | NTSC Black Burst | ||
| 1080/23p | 1080/23p 3値シンク | ||
| 1080/24p | 1080/24p 3値シンク | ||
| INCOM | コネクター | XLR6(メス)x2 (*1) | |
| VF OUT | コネクター |
小型丸形コネクター20ピンx1 (*2) 弊社製以外のビューファインダーに接続するにはインターフェースユニット(SCA-VFIF10:別売)または専用接続ケーブル(別売)が必要です。 |
|
| 出力フォーマット | HDビューファ接続時:1080/59.94iもしくは1080/50i | ||
| SDビューファ接続時:525/59.94iもしくは625/50i | |||
| RET CONT | コネクター | 小型丸形コネクター4ピンx1 (*1) | |
| CAM REM | コネクター | 小型丸形コネクター8ピンx1 | |
| LANC | コネクター | ステレオミニミニジャック(φ2.5mm)x1 | |
| ETHERNET | コネクター | RJ-45x1 | |
| 通信規格 | 1000BASE-T、100BASE-TX | ||
| CAM POWER | コネクター | 小型丸形コネクター7ピンx1 (*3) | |
| Vマウントソケット | 定格 | DC 11~17V | カメラ電源供給用 |
| Vマウントホルダー | 定格 | DC 11~17V | バッテリー接続用 |
| DC12V IN | コネクター | XLR4(オス)x1 | 1ピン:GND、2,3ピン:NC,4ピン:+12V |
| 定格 | DC 11~17V | ||
| DC12V OUT | コネクター | 小型丸形コネクター4ピン(メス)x1 | 1ピン:GND、2,3ピン:NC,4ピン:+12V |
| 定格 | DC 11~17V | ||
| 動作環境 | 0 ℃ ~ 40 ℃ 20 % ~ 85 % (結露無きこと) | ||
| 消費電力 | 最大30W(本体のみ) | ||
| 外形寸法 | W163 x H168 x D111 mm (突起部を除く) | ||
| 質量 | 2kg | ||
*1:弊社独自仕様となっております。加工が必要な場合はご相談ください。
*2:弊社独自仕様となっております。当該コネクターの機能を使用する場合には別売のインターフェースボックスが別途必要になります。
*3:Vマウントソケット経由で電源を供給できないカメラへ電源を供給するためのコネクターです。カメラのメーカー、機種毎に専用ケーブルが必要となりますので別途ご相談ください。
*注:外観、仕様は変更することがあります。
オプション
7型液晶・有機ELカラービューファインダー
希望小売価格 400,000円(税別)

ソニー製
HDVF-EL740(取扱商品)
ソニー製
HDVF-EL760(取扱商品)
ユニバーサルマウントアダプター
希望小売価格 120,000円(税別)
小型のハンディタイプカメラにカメラアダプターやVFを取り付けるマウンターです。
希望小売価格 150,000円(税別)
中型のハンディタイプカメラにカメラアダプターやVFを取り付けるマウンターです。

VFインターフェースユニット
希望小売価格 160,000円(税別)
ショルダータイプカムコーダーのVF にリターン映像を送り込むユニットです。

インターカム/ タリー ライブユニット
希望小売価格 2,500,000円(税別)
カメラ8 台までのタリー/インターカムユニット,プログラム音声や電話回線と接続できます。カスケード接続で増設可能です。
バッテリーマウントカバー
SCA-COV
希望小売価格 12,000円(税別)

インターカム用ヘッドセット
各社選べます。メーカーと型式をお申し出ください。

カメラ接続ケーブルセット
カメラとSCA-SP5 間の信号接続ケーブルセットです。カメラによって異なります。
購入の際、営業部までお申し出ください。

光カメラケーブル
SCA-SP5 と SCA-BU5 間の光カメラケーブルです。
ARIB 規格光カメラケーブル(タジミ,LEMO)
営業部にお問い合わせください。

リターンスイッチ
SCA-RTS10
希望小売価格 40,000円(税別)

ズームリモコン/リターンスイッチ
カムコーダー用
営業部にお問い合わせください。

フォーカスデマンド
営業部にお問い合わせください。

関連製品カタログ
|
|
|
|
製品情報
-

4K・12G 関連製品
-

12G/3G/HD/SD/AES/EBU ルーティングスイッチャー
-

光/12G/4K/3G/HD/SD/アナログモジュールシステム
-

12G/3G/HD/SD/アナログ エンベデッドオーディオモニター
-

12G/3G/HD/SD/アナログオーディオ/エンベデッドラウドネスモニター/VUマルチメーター
-

光ファイバー伝送カメラアダプター/ライブユニット
-

光/HD/SD/アナログ 分配器・切替器・変換器
-

キャラクタージェネレーター
-

L字放送システム
-

システムインテグレーション
-

小型HD中継車・伝送車














4K・12G
光ファイバー伝送

