3G/HD-SDI 2chカラースーパー・モジュール(カスケード接続対応)
新製品
3G/HD-SDI 2chカラースーパー・モジュール(カスケード接続対応)
製品概要
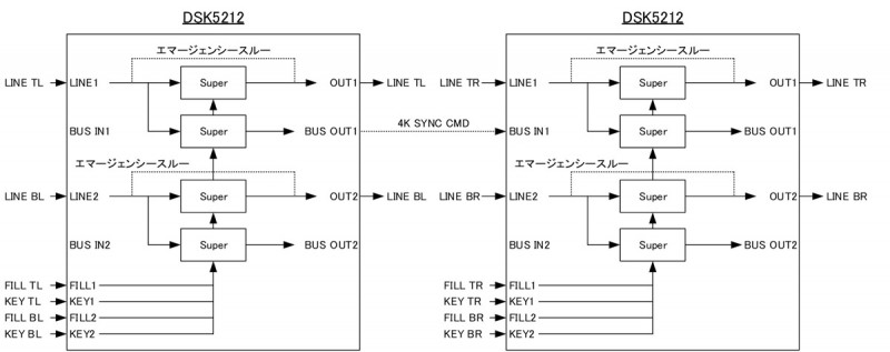
DSK5212 は、C5000モジュールシステムに搭載可能な3G-SDI/HD-SDI 対応のカスケード接続可能なカラースーパーモジュールです。
1モジュールで、2系統のスーパー素材と1枚の静止画、又は1系統のスーパー素材と2枚の静止画を本線映像にミックスできます。モジュールごとにエマージェンシースルー機能を搭載しています。
特長
・3G(レベルA/B)/HD-SDI に対応し、入力フォーマットをOLED に表示します。
・1 モジュールで2 系統のスーパー入力と4 枚の静止画登録が可能で、2 系統スーパーと静止画1 枚又は、1 系統のスーパー素材と2 枚の静止画のミックスが可能です。
・単体使用のDSK5102 は、2ch のスーパーミックスができ、カスケード接続可能なDSK5112 は最大10 モジュールをカスケード接続することにより20ch のスーパーミックスが可能です。
・本線映像2 系統入力、本線映像3 系統出力可能です。
・本線入力部に3 ラインのAVDL を内蔵しています。
・スーパー入力部にFS 機能を内蔵し、動画スーパーの非同期入力が可能です。静止画使用時は、2 系統目のFS 機能はバイパスされます。
・モジュールごとにエマージェンシースルー機能を搭載し、カスケード接続時は、PC 上のアプリケーションにより監視を行い、1 枚でも異常が発生した場合に、全てのモジュールをスルー状態にすることが可能です。
・スーパー信号は外部/セルフキー、スーパーカラー、ゲイン調整(0~100%)、ポジション移動が可能です。(エッジ、シャドウ機能はなし)
・スーパーのトランジションは、カットとフェードが選択でき、フェードは1~300 フレームで設定できます。
・本線信号は、音声を含むすべてのアンシラリィデータが通過します。
・接点信号、専用リモコンで、個別にスーパーのオン/オフが可能です。長押し、短押しなどのボタンの押し方により、フェードとカットを切り替えることもできます。
・スーパーマスクを4 か所登録でき、接点制御でマスクパターンの切り替えが可能です。
・FILL,KEY のコンバイナーモードでアップストリームキーとして使用できます。
・簡易チェンジオーバ―機能を搭載し、LINE の切替が可能です。
・4K 信号のスーパーが可能です。ただし、4K でのセルフキー、スーパーのポジション移動はできません。
・各種設定の全項目の設定値と変化時刻、ステータスの変化と変化時刻をログに残し、WEBからダウンロードが可能。
最新の10000件をSDカードに保存。
・パラメーターの設定はメニュー又は、SNMP、WEB より設定できます。
メニュー選択スイッチ
上下に動かすことによりメニュー移動をし、押すことによりメニュー選択、パラメーター選択の決定を行います。
・SNMP に対応します。
ブロック図
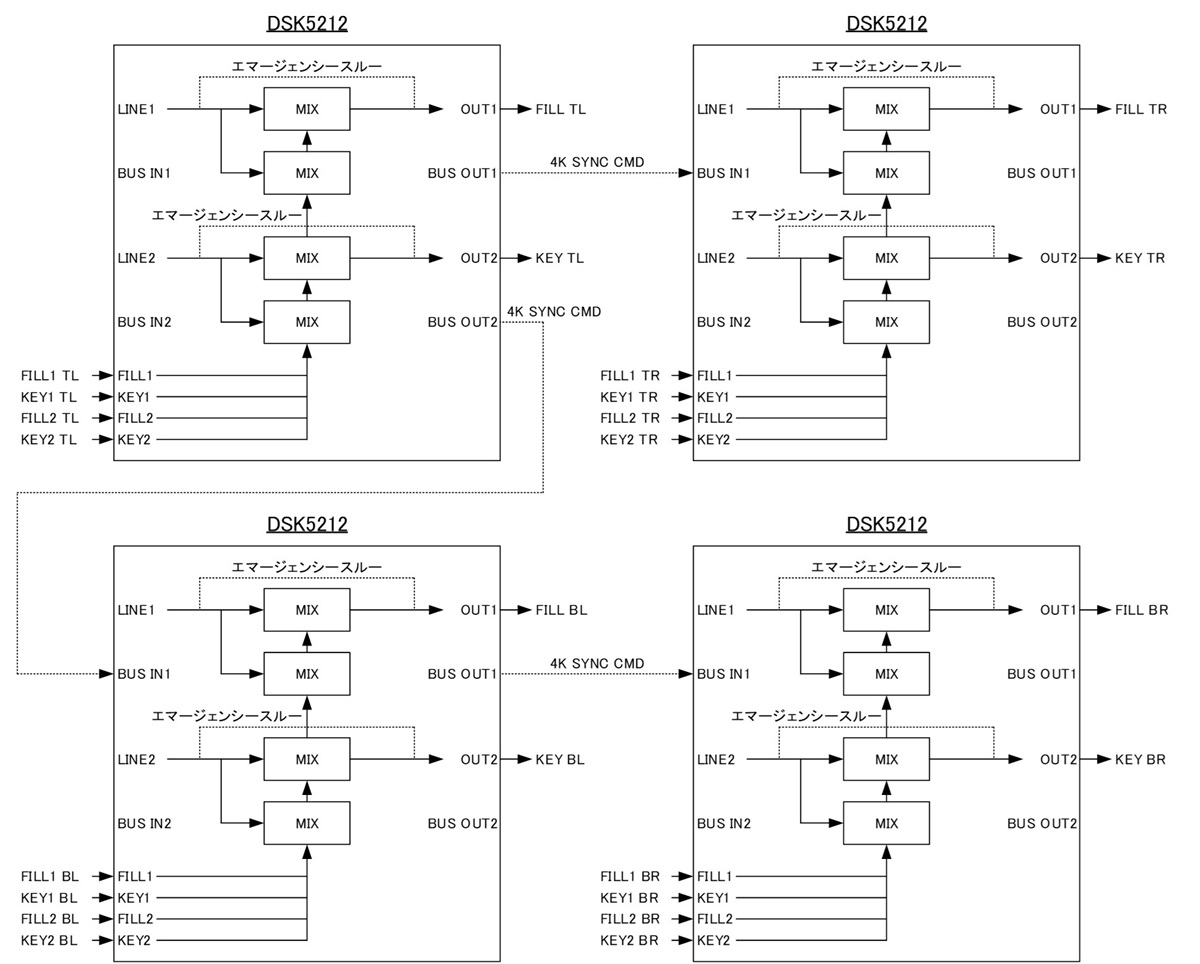
接続例
1) ライン1系統、スーパー4系統、プレビュー、エマージェンシースルー対応
2) ライン2系統、スーパー4系統、プレビュー、エマージェンシースルー対応
3) ライン3系統、スーパー4系統、プレビュー、LINE1,2のみエマージェンシースルー対応
4) コンバイナー出力、スーパー4系統、プレビュー1系統
5) DSK1系統+コンバイナー出力1系統、スーパー4系統、プレビュー、エマージェンシースルー対応
6) 4K DSKモード、4Kスーパー1系統、エマージェンシースルー対応
7) 4K DSKモード、4Kスーパー2系統、プレビュー、エマージェンシースルー対応
※最大1筐体で4Kスーパー4系統まで実現可能です。
8) 4Kコンバイナー1系統、4Kスーパー2系統
仕様
|
LINE入力 |
対応フォーマット(映像) |
3G-SDI 1080/ 59.94p,50p(レベルA/B) HD-SDI 1080/ 59.94i,50i |
|
|
コネクタ |
BNC x2 |
||
|
入力レベル、インピーダンス |
0.8 Vp-p 75 Ω |
||
|
LINE出力 |
対応フォーマット(映像) |
LINE入力と同じ |
|
|
コネクタ |
BNC x2 |
||
|
出力レベル、インピーダンス |
0.8 Vp-p 75 Ω |
||
|
FILL/KEY, BUS入力 |
対応フォーマット(映像) |
LINE入力と同じ |
|
|
コネクタ |
マイクロBNC x6 |
||
|
入力レベル、インピーダンス |
0.8 Vp-p 75 Ω |
||
|
BUS出力 |
対応フォーマット(映像) |
LINE入力と同じ |
|
|
コネクタ |
マイクロBNC x2 |
||
|
入力レベル、インピーダンス |
0.8 Vp-p 75 Ω |
||
|
リモート入出力 |
コネクタ |
小型丸形コネクタ12ピンx1 |
|
|
映像入出力遅延 |
LINE信号 |
HD:約2us, 3G:約1us(カスケード時は1段増えることにHD:+2us, 3G:+1us) |
|
|
FILL/KEY信号 |
0~1フレーム |
||
|
AVDL引き込み範囲(リファレンス=フレーム設定時) |
HD-SDI |
MIN 約-1 μs、MAX 約-89 μs |
|
|
3G-SDI レベルA |
MIN 約-0.5 μs、MAX 約-44 μs |
||
|
3G-SDI レベルB |
MIN 約-0.8 μs、MAX 約-89 μs |
||
|
入出力遅延(リファレンス=SDI入力設定時) |
HD-SDI |
MIN 約 1 μs、MAX 約 108 μs |
|
|
3G-SDI レベルA |
MIN 約 0.5 μs、MAX 約 54 μs |
||
|
3G-SDI レベルB |
MIN 約 0.7 μs、MAX 約 107 μs |
||
|
占有スロット数 |
2スロット |
||
|
動作環境 |
0 ℃ ~ 40 ℃ 20 % ~ 85 % (結露無きこと) |
||
|
電源 |
DC 12 V |
||
|
消費電力 |
19.0 W |
||
|
外形寸法 |
398.5 x 88 mm |
||
|
質量 |
0.3 kg |
||
|
付属品 |
CBL5000-DSK1 |
HD-BNC(オス)-BNC(メス)x6 (0.2m) |
|
|
CBL5000-DSK2 |
HD-BNC(オス)-BNC(メス)x4 (0.2m) HD-BNC(オス)-HD-BNC(オス)x2 (0.5m) |
||
|
オプション |
CBL5000-DSK3 |
専用リモコン用丸形コネクター12ピン ー XLR4ピン x3 (5m) |
|
|
RMT5000-DSK1 |
専用リモコン |
||
CBL5000-DSK1, CBL5000-DSK2 いずれかをDSK5112 に付属(カスケード最終段にはCBL5000-DSK1 を、カスケード最終段以外はCBL5000-DSK2 をご指定ください。)
オプション
専用リモコン RMT5000-DSK1
希望小売価格 100,000円(税別)
RMT5000-DSK1 は、カラーキーヤーモジュールDSK5102/5112 の専用 TAKE パネルです。
専用ケーブル CBL5000-DSK3
希望小売価格 70,000円(税別)
製品情報
-

4K・12G 関連製品
-

12G/3G/HD/SD/AES/EBU ルーティングスイッチャー
-

光/12G/4K/3G/HD/SD/アナログモジュールシステム
-

12G/3G/HD/SD/アナログ エンベデッドオーディオモニター
-

12G/3G/HD/SD/アナログオーディオ/エンベデッドラウドネスモニター/VUマルチメーター
-

光ファイバー伝送カメラアダプター/ライブユニット
-

光/HD/SD/アナログ 分配器・切替器・変換器
-

キャラクタージェネレーター
-

L字放送システム
-

システムインテグレーション
-

小型HD中継車・伝送車



















