3G/HD-SDI ビデオタイマー・カウンター
3G/HD-SDI ビデオタイマー・カウンター・モジュール
製品概要
VTC5102はC5000モジュールシステムに搭載可能な3G-SDI/HD-SDI対応のビデオタイマー・カウンター・モジュールです。
RS-485、LTC、内部時計(NTP同期)、又はアンシラリータイムコードから時刻信号を受信し、日付、リアルタイム時刻、プリセットカウントタイマー又は、時差カウントタイマー、残時間によるカウントダウン、カウントアップをスーパー表示するモジュールです。
特長
・日付、リアルタイム時刻、プリセットカウントタイマー又は、時差カウントタイマー、残時間の表示が可能です。
・LTC OUT/RS-485 OUTより、時刻情報や残時間情報を出力することが可能です。
・3G(レベルA/B)/HD-SDIに対応し、入力フォーマットをOLEDに表示します。
・プリセットカウントタイマーの初期値及び残時間値を8つまで登録可能です。
・文字は4種類のフォントでエッジ付きと、エッジ無しの8種類を用意しています。
日付、時刻、タイマー用と残時間用にそれぞれ8種類のいずれかを設定でき、設定した文字を8段階で拡大しスーパーできます。*1
・表示位置は任意の位置に設定可能で、リアルタイムで変更可能です。
・時刻は、12時間制、又は24時間制~30時間制までの1時間刻みで設定可能です。
・文字スーパーにはプレートの付加が可能です。
・SDIのアンシラリーパケットは全て通過します。
・時刻用インターフェースは、RS-485、LTC入力、内部時計、アンシラリータイムコードから選択可能です。
・RS-422外部制御で残時間のセット/カウント開始、プリセットカウントタイマーのSTART/STOPが可能です。
・プリセットカウントタイマーのカウントが指定時刻になったとき、接点出力をアサートすることが可能です。
・残時間タイマーの開始、停止は接点信号でコントロール可能です。
・各種設定の全項目の設定値と変化時刻、ステータスの変化と変化時刻をログに残し、WEB からダウンロードが可能です。
ログは、最新の10000 件をSD カードに保存しています。
・リモートコントロールパネルRMT5001-VTC2をカスケード接続し、制御設定することが可能です。
・パラメーターの設定はリモートコントロールパネル、SNMP 又は、WEB より設定できます。
メニュー選択スイッチ
上下に動かすことによりメニュー移動をし、押すことによりメニュー選択、パラメーター選択の決定を行います。
・SNMPに対応します。
*1:フォントの変更をご希望される場合にはご相談ください。
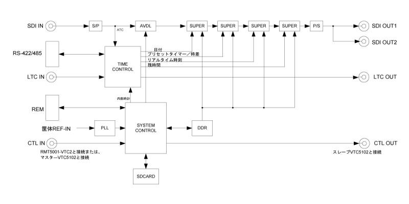
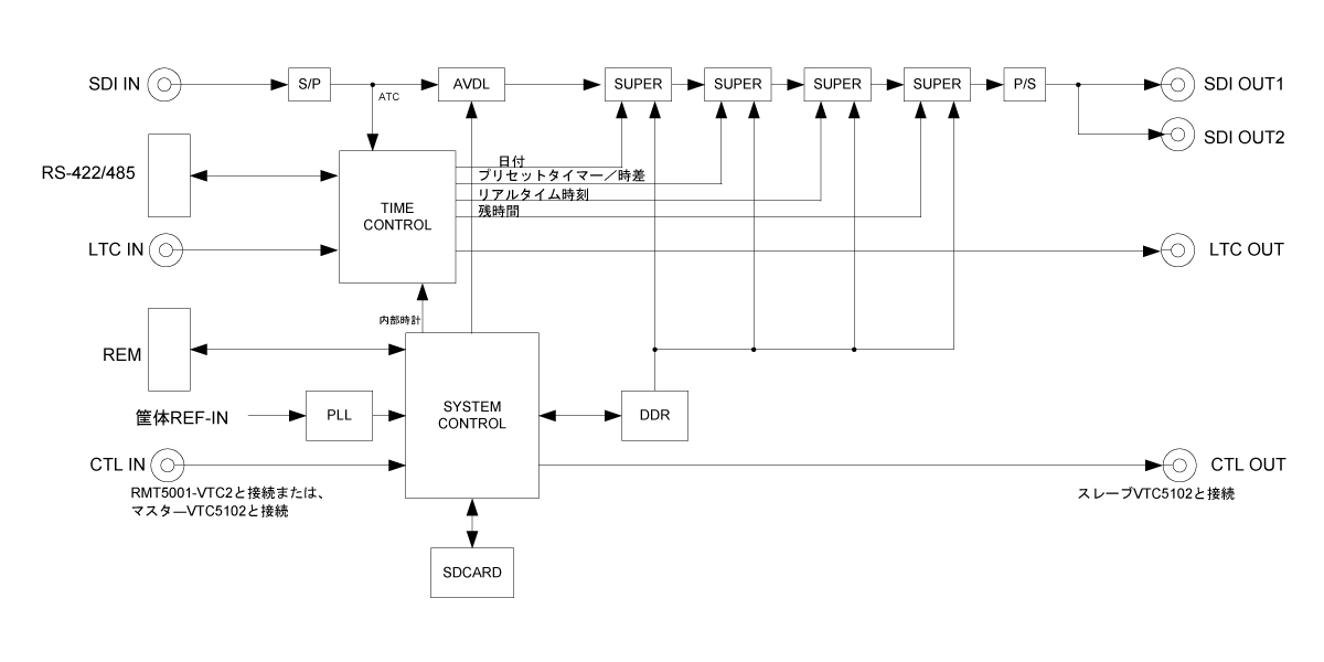
ブロック図
仕様
|
SDI入力 |
対応フォーマット(映像) |
3G-SDI 1080/ 59.94p,50p(レベルA/B) HD-SDI 1080/ 59.94i,50i |
|
|
コネクター |
BNCx1 |
||
|
入力レベル、インピーダンス |
0.8 Vp-p 75 Ω |
||
|
SDI出力 |
対応フォーマット(映像) |
SDI入力と同じ |
|
|
コネクター |
BNCx2 |
||
|
出力レベル、インピーダンス |
0.8 Vp-p 75 Ω |
||
|
LTC入力 |
コネクター |
BNCx1 |
|
|
入力レベル、インピーダンス |
0.5~5.0 Vp-p 1k Ω以上 |
||
|
LTC出力
|
コネクター |
BNCx1 |
|
|
リモート入出力 |
コネクター |
小型丸形コネクター12ピンx1 |
|
|
RS-422/485入出力 |
コネクター |
小型丸形コネクター12ピンx1 |
|
|
制御入力 |
コネクター |
BNCx1 *1 |
|
|
制御出力 |
コネクター |
BNCx1 *1 |
|
|
映像入出力遅延 |
SDI信号 |
HD:約2us, 3G:約1us |
|
|
占有スロット数 |
2スロット |
||
|
動作環境 |
0 ℃ ~ 40 ℃ 20 % ~ 85 % (結露無きこと) |
||
|
電源 |
DC 12V |
||
|
消費電力 |
12 W |
||
|
外形寸法 |
398.5 x 88 mm |
||
|
オプション |
RMT5001-VTC1 |
専用リモコン |
|
|
質量 |
0.3 kg |
||
*1:制御入出力の接続は、75Ω同軸ケーブルを使用してください。
オプション
リモート・コントローラー RMT5001-VTC2
希望小売価格 250,000円(税別)


概略操作
各種詳細設定はFUNCTIONの選択スイッチで項目を選び、DISPに表示されたメニューに従い、SELボタンとCANSELボタンでメニュー設定操作を行います。
各種設定時刻はTIME/TIMERの時刻選択スイッチで、TIME,TIMER,REMAIN,DATEを選択し、時、分、秒、フレーム選択スイッチで、時間の桁を選択後、SELにて値を設定します。
HOLDボタンにて、スーパーしている時刻のみ表示をホールドすることができ、START/STOPボタンでカウントのスタート、ストップを行います。
SUPERのTIME, TIMER, REMAIN、 DATEボタンで時刻、プリセットカウントタイマー又は、時差カウントタイマー、残時間、日付のスーパーのオン、オフを行います。
製品情報
-

4K・12G 関連製品
-

12G/3G/HD/SD/AES/EBU ルーティングスイッチャー
-

光/12G/4K/3G/HD/SD/アナログモジュールシステム
-

12G/3G/HD/SD/アナログ エンベデッドオーディオモニター
-

12G/3G/HD/SD/アナログオーディオ/エンベデッドラウドネスモニター/VUマルチメーター
-

光ファイバー伝送カメラアダプター/ライブユニット
-

光/HD/SD/アナログ 分配器・切替器・変換器
-

キャラクタージェネレーター
-

L字放送システム
-

システムインテグレーション
-

小型HD中継車・伝送車








